Комплекс программных продуктов MotorData - современное решение для техникумов и колледжей
Подготавливая будущих автомастеров и автоэлектриков к профессиональной работе, СУЗы сталкивается с необходимостью предоставлять студентам актуальные знания и нарабатывать профессиональные навыки.
Для колледжей и техникумов внедрение продуктов MotorData в образовательный процесс может принести следующие преимущества:
- Повышение качества образования;
- Привлечение большего числа абитуриентов;
- Укрепление связей с потенциальными работодателями;
- Возможность более быстрого трудоустройства подготовленных специалистов;
- Оптимизация затрат на обновление учебных материалов.
Расскажем более подробно, как MotorData может существенно улучшить образовательный процесс в колледжах и техникумах.
- Практическое применение теоретических знаний.
MotorData Автоэлектрика предоставляет студентам возможность применить теоретические знания на практике. Используя реальные данные и схемы, учащиеся могут лучше понять связь между теорией и практикой автомобильной диагностики.
- Доступ к актуальной технической информации.
В быстро развивающейся автомобильной индустрии крайне важно иметь доступ к самой свежей информации. MotorData регулярно обновляется, что позволяет студентам всегда быть в курсе последних технологий и методов диагностики.
- Развитие навыков работы с современными инструментами.
Работа с MotorData помогает студентам освоить современные диагностические инструменты, которые они будут использовать в своей будущей профессиональной деятельности. Это значительно повышает их конкурентоспособность на рынке труда.
- Улучшение понимания электрических систем автомобиля.
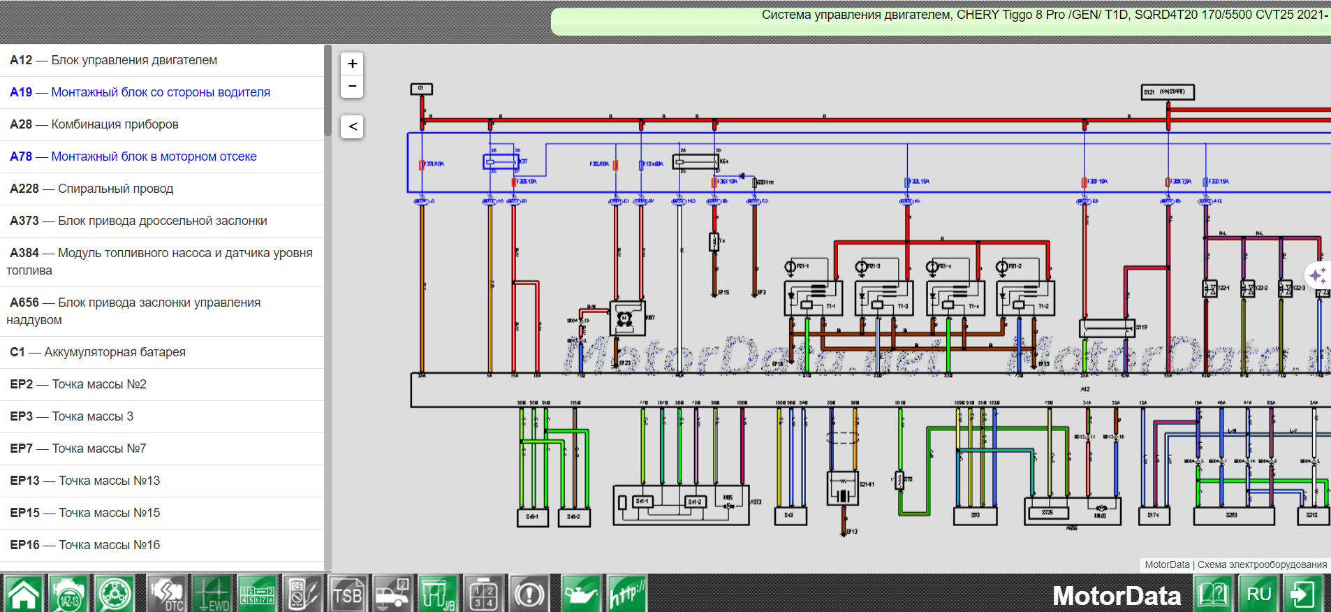
Благодаря подробным электросхемам и интерактивным диаграммам MotorData студенты могут лучше понять сложные электрические системы современных автомобилей. Это особенно важно для будущих автоэлектриков.
- Обучение методам диагностики и устранения неисправностей.
MotorData предоставляет пошаговые инструкции по диагностике и устранению различных неисправностей. Это помогает студентам освоить методологию поиска и решения проблем, что является ключевым навыком для автомехаников и диагностов.
- Изучение кодов неисправностей (DTC).
Программа содержит обширную базу данных кодов неисправностей и их расшифровок. Это позволяет студентам лучше понять, как интерпретировать и использовать эту информацию в процессе диагностики.
- Знакомство с различными моделями автомобилей.
MotorData содержит информацию о широком спектре автомобильных марок и моделей. Это дает студентам возможность изучить особенности различных автомобилей, с которыми они могут столкнуться в будущей работе.
- Развитие аналитических навыков.
Работа с программой требует анализа данных и принятия решений, что способствует развитию критического мышления и аналитических способностей студентов.
- Моделирование реальных рабочих ситуаций.
Преподаватели могут использовать MotorData для создания учебных сценариев, имитирующих реальные ситуации, с которыми студенты могут столкнуться в автосервисе. Это помогает лучше подготовить их к будущей работе.
- Индивидуализация обучения.
Облачный формат MotorData позволяет студентам работать с программой в удобное для них время и в своем темпе, что способствует более эффективному усвоению материала.
- Улучшение командной работы.
MotorData может использоваться для групповых проектов, где студенты могут совместно работать над диагностикой и решением сложных проблем, развивая навыки командной работы.
- Подготовка к сертификационным экзаменам.
Информация, предоставляемая MotorData, может быть полезна при подготовке к профессиональным сертификационным экзаменам в области автомобильной диагностики и ремонта.
- Обучение работе с современными диагностическими приборами.
MotorData совместима с различными диагностическими сканерами, что позволяет студентам научиться использовать современное диагностическое оборудование.
- Повышение мотивации к обучению.
Использование современных технологий, таких как MotorData, может повысить интерес студентов к обучению и их мотивацию к освоению профессии.
- Подготовка к работе с цифровыми технологиями.
В современном мире все больше автосервисов переходят на цифровые технологии. Опыт работы с MotorData подготовит студентов к этой тенденции. - Недорогая диагностика.
Внедрение приложения MotorData OBD в учебный процесс открывает доступ к экономичным методам диагностики различных автомобильных систем. Освоение этого инструмента значительно повышает профессиональную ценность механиков, слесарей и мастеров-приемщиков на рынке труда.
-
Motordata Нормы времени формируют навыки создания заказ–наряда и дают возможность студентам поработать в программном обеспечении, которое используют, как крупные сетевые автосервисы, так и небольшие автомастерские на несколько подъемников.
В заключение отметим, что интеграция облачной программы диагностики MotorData в образовательный процесс колледжей и техникумов может значительно повысить качество подготовки будущих механиков, автоэлектриков и диагностов, сделав их более конкурентоспособными на современном рынке труда.
