Команда MotorData продолжает расширять и улучшать базу данных для механиков и диагностов. В ноябре 2025 года мы добавили в программу MotorData Автоэлектрика большой объем новой информации, включая схемы электрооборудования, данные по диагностике и монтажным блокам для популярных марок, таких как Toyota, Lexus, Honda, Kia и целого ряда китайских брендов.
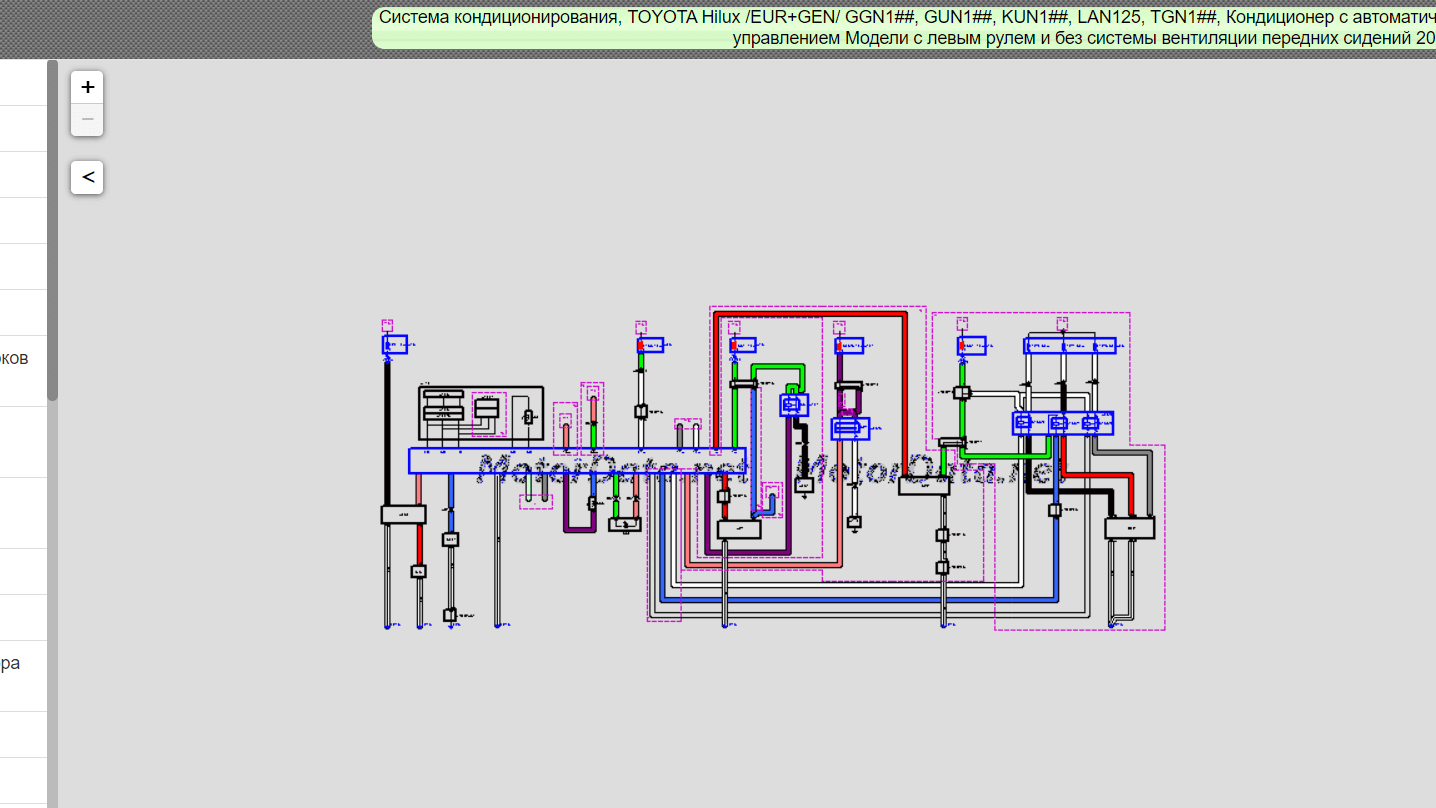
- Схемы электрооборудования (+711): Toyota Avensis (T27), Toyota Corolla (EA1, E21, EH1), Toyota Crown (GRS18), Toyota Highlander (SU5), Toyota Hilux (N1), Lexus CT (ZWA10), Lexus IS (E2), Lexus LS (UF4), Honda Fit (GK), Honda Freed (GB), Honda Freed Spike (GB), Honda Shuttle (GP), Honda StepWGN (RP, RK), Honda Vezel (RU), Kia Rio (UB), МАЗ, Changan CS75PLUS, Chery Tiggo 7 (T15), Chery Tiggo 8 Pro Max (T1D), Exeed RX (M38T), Exeed VX (M36TFL), Geely Monjaro (KX11), Haval H6, Haval H9 (FKV), Jetour T2 (T-1), Omoda C5 (T19C), Omoda S5 (M1DFL2), Omoda S5 GT (M1DFL3).
- Диагностические коды неисправностей (+3452): Toyota Camry (V7), Toyota Corolla (EA1, E21, EH1), Toyota Rav4 (A5).
- Pindata (+6): Toyota Corolla (EA1, E21, EH1), Toyota Rav4 (A5).
- Схемы расположения (+19): Honda Fit (GK), Honda Freed (GB), Honda Freed Spike (GB), Honda Shuttle (GP), Honda StepWGN (RP, RK), Honda Vezel (RU), Chery Tiggo 7 (T15), Changan CS75PLUS, Changan UNI-V, Exeed LX (T1CFL), Exeed RX (M38T), Haval Dargo (B06), Jaecoo J7 (T1EJ), Omoda S5 GT (M1DFL3), TANK 300, TANK 500.
- Схемы монтажных блоков (+15): Honda Fit (GK), Honda Freed (GB), Honda Freed Spike (GB), Honda Shuttle (GP), Honda StepWGN (RP, RK), Honda Vezel (RU), Changan CS75PLUS, Chery Tiggo 7 (T15), Jetour T2 (T-1), Kia Sorento (UM), Omoda S5 (M1DFL2), Omoda S5 GT (M1DFL3).
